全国2008年7月高等教育自学考试工程制图试题
编辑整理: 重庆自考网 发表时间: 2018-05-24 【大 中 小】 点击数:
全国2008年7月高等教育自学考试工程制图试题
课程代码:02151
一、点线面作图题(保留作图线)(本大题共3小题,其中第1小题3分、第2小题3分,第3小题6分,共12分)
1.求作与ox轴成45°夹角的铅垂面的水平投影.
2.求作1/4圆球面上A点的正面投影和水平投影.
3.在平面ABC内求作直线KL.KL与AC平行,K点距A、C点均为30mm,L在BC线上.
二、截交线作图题(10分)
4.已知立体的主视图和俯视图,画出左视图中截交线及缺漏轮廓线的投影.
三、相贯线作图题(10分)
5.已知立体的主视图和左视图,补画俯视图中相贯线及缺漏轮廓线的投影.
四、组合体作图题(本大题共两小题,其中第6小题6分,第7小题12分,共18分)
6.已知立体的主视图和左视图,画全俯视图.
7.已知立体的主视图和俯视图,求左视图.(虚线不能省略).
五、组合体尺寸标注题(12分)
8.标注组合体的尺寸,尺寸数值按1:1在图中量取后取整数.
六、轴测图作图题(5分)
9.根据给定的主视图和俯视图,画全立体的正等轴测图.
七、表达方法作图题(10分)
10.根据给出物体的主视图和俯视图,在中间空白线框内画出A-A半剖视图.
八、剖面图作图题(5分)
11.根据给定的主视图和左视图,在指定位置画出A-A剖面图.
九、标准件和常用件作图题(8分)
12.补画双头螺柱连接图主视图中的螺孔和剖面线.
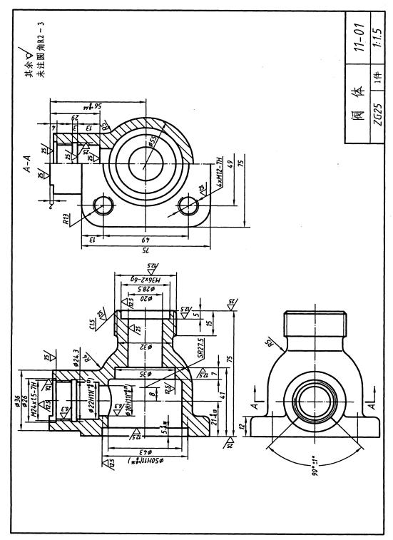
十、读零件图题(本大题共10小题,每小题1分,共10分)
看懂阀体零件图,回答下列问题:
(13) 该零件在四类典型零件中属于__________ 类零件.
(14) 零件左端法兰上共有__________个螺孔.
(15) 零件右边的外螺纹尺寸为__________.
(16) 零件的材料是__________.
(17) 有公差要求的尺寸:有__________个.
(18) 未注圆角的尺寸是:__________.
(19) 阀体上端的螺孔是粗牙螺纹还是细牙螺纹:__________.
(20) 左端面的表面粗糙度代号中的Ra值是:__________.
(21)
50H11尺寸的上偏差是:__________.
(22)
50H11尺寸的下偏差是:__________.
本文标签:重庆自考 历年真题 全国2008年7月高等教育自学考试工程制图试题
转载请注明:文章转载自(http://www.zkw.cq.cn/)
⊙小编提示:添加【重庆自考网】招生老师微信,即可了解2023年重庆自考政策资讯、自考报名入口、准考证打印入口、成绩查询时间以及领取历年真题资料、个人专属备考方案等相关信息!

(添加“重庆自考网”招生老师微信,在线咨询报名报考等相关问题)

重庆自考网声明:
1、由于各方面情况的调整与变化,本网提供的考试信息仅供参考,考试信息以重庆市教育考试院及院校官方发布的信息为准。
2、本网信息来源为其他媒体的稿件转载,免费转载出于非商业性学习目的,版权归原作者所有,如有内容与版权问题等请与本站联系。联系邮箱:952056566@qq.com
重庆自考便捷服务
- 微信交流群
- 微信公众号
微信扫一扫加入考生微信群
①学习交流、②考试提醒、③自考解答
④自考资料、⑤新闻通知、⑥备考指导

重庆自考网微信公众号
随时获取重庆市自考政策、通知、公告
以及各类学习微信公众号
- 热点文章
- 常见问题

